DAYKIN變壓器也就是開關穩壓電源。它實際上就是一種逆變器。首先把交流電變為直流電,然后用電子元件組成一個振蕩器直流電變為高頻交流電。通過開關變壓器輸出所需要的電壓然后二次整流供用電器使用。DAYKIN變壓器具有體積小,重量輕,價格低等優點,所以被廣泛用在各種電器中。DAYKIN變壓器的原理較復雜。
下面一種DAYKIN變壓器電路圖的分析,輸入為ac220v,輸出為ac12v,功率可達50w。它主要是在高頻電子鎮流器電路的基礎上研制出來的一種變壓器電路,其性能穩定,體積小,功率大,因而克服了傳統的硅鋼片變壓器體大、笨重、價高等缺點。


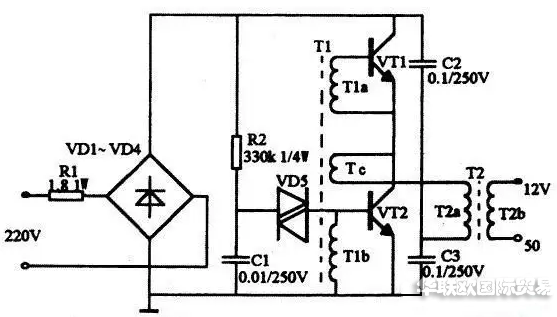
DAYKIN變壓器原理
如圖所示。DAYKIN變壓器原理與開關電源工作原理相似,二極管vd1~vd4構成整流橋把市電變成 直流電,由振蕩變壓器t1,三極管vt1、vt2組成的高頻振蕩電路,將脈動直流變成高頻電流,然后由鐵氧體輸出變壓器t2對高頻高壓脈沖降壓,獲得所需 的電壓和功率。r1為限流電阻。電阻r2、電容c1和雙向觸發二極管vd5構成啟動觸發電路。 三極管vt1、vt2選用s13005,其b為 15~2 0倍。也可用c3093等buceo>=35ov的大功率三極管。觸發二極管vd5選用32v左右的db3或vr60。振蕩變壓器可自 制,用音頻線繞制在 h7 x 10 x 6的磁環上。tia、t1b繞3匝,tc繞1匝。鐵氧體輸出變壓器t2也需自制,磁心選用邊長27mm、寬 20mm、厚10mm的ei型鐵氧體。t2a用直徑為0.45mm高強度漆包線繞100匝,t2b用直徑為1.25mm高強度漆包線繞8匝。 二極管 vd1~vd4選用 in4007型,雙向觸發二極管選用db3型,電容c1~c3選用聚丙聚酯滌綸電容,耐壓250v。
此DAYKIN變壓器電路工作時,a點工作電壓約為12v;b點約為25v;c點約為105v;d點約為10v。如果電壓不滿足上述數值,或DAYKIN變壓器電路不 振蕩,則應檢查電路有無錯焊、漏焊或虛焊。然后再檢查vt1、vt2是否良好,t1a、t1b的相位是否正確。整個DAYKIN變壓器電路裝調成功后,可裝入用金 屬材料制作的小盒內,發利于屏蔽和散熱,但必須注意電路與外殼的絕緣。引外,改變t2 a、b二線圈的匝數,則可改變輸出的高頻電壓。
另一篇介紹DAYKIN變壓器的文章
本文介紹的DAYKIN變壓器克服了傳統硅鋼片變壓器體積、重量大、效率低、價格高的缺點,電路成熟,性能穩定。


工作原理
本DAYKIN變壓器工作原理與開關電源相似,電路原理圖見圖1,由VD1-VD4將市電整流為直流,再把直流變成幾十千赫茲的 高頻電流,然后用鐵氧休變壓器對高頻、高壓脈沖降壓。圖中R2、C1、VD5為啟動觸發電路。C2、C3、L1、L2、L3、VT1、VT2構成高頻振蕩部分。
元器件選擇與制作
元器件清單見下表。


L1、L2、L3分別繞在H7×4×2mm3的磁環上,L1、L2繞6匝;L3繞1匝。L4、L5繞在H31×18×7mm3的磁環上,L4繞用Φ=0.1mm的高強度線繞340匝;L5用Φ=1.45mm的高強度線繞20匝。VT1、VT2選用耐壓BVceo≥350V大功率硅管。其它元件無特殊要求。
電路正常工作時,A點工作電壓約為215V,B點約為108V,C點約為10V,D點約為25V。如果不振蕩,檢查VT1、VT2及L1、L2、L3的相位是否正常(交換L3的兩根接線即可)。改變L5的匝數可改變輸出電壓。
附鹵素燈用DAYKIN變壓器原理圖

